歡迎您來到鑫海文
基本性能:

| 供電電源 | 直流12V,±20% |
| 額定功率 | 最大150W(根據所選電機確定) |
| 額定轉速 | 根據所選電機確定 |
| 額定轉矩 | 根據所選電機確定 |
| 調速范圍 | 90RPM~額定轉速 |
| 絕緣電阻 | 常溫常壓下〉100MΩ |
| 絕緣強度 | 常溫常壓下1KV,1分鐘 |
| 冷卻方式 | 散熱器自然冷卻 | |
| 使用環境 | 場合 | 盡量避免粉塵、油污及腐蝕性氣體 |
| 溫度 | -10℃~+65℃ | |
| 濕度 | <80%RH,無凝露,無結霜 | |
| 振動 | 5.9m/S²Max | |
| 保存溫度 | -20℃ ~ +65℃ | |
| 體積 | 147x75x45(mm³) | |
| 重量 | 0.5Kg | |

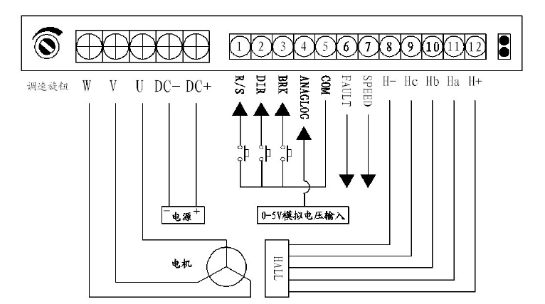
| 端子標記 | 端子定義 | ||
| 功率端子 |
DC+、DC- U、V、W |
接直流電源。DC+與正極相接,DC-與負極相接 | |
| 端子的U、V、W與電機的U、V、W三相對應連接注1 | |||
| 霍爾信號 |
H+、H- Ha、Hb、Hc |
將該端子的H+和H-分別與電機霍爾的電源和地線連接。將Ha、Hb、Hc與電機的霍爾線一一對應連接 | |
| 控制端子 | 1 | R/S 電機啟停控制信號,與COM端口短接電機啟動,斷開電機自然停車 | |
| 2 | DIR 電機轉向控制信號,與COM端口短接電機反轉,斷開電機正轉注2 | ||
| 3 | BRK 制動停車信號,與COM端口短接電機制動停車注3 | ||
| 4 | ANI外部模擬電壓調速輸入,默認輸入電壓0-5V注4 | ||
| 5 | COM信號接地端 | ||
| 6 | FAULT 故障信號輸出接口(低電平電機故障)注5 | ||
| 7 | SPEED速度信號輸出接口注6 | ||
| 指示燈 | 紅燈閃爍 | 電機故障 | |
| 綠燈閃爍 | 電機待機 | ||
| 交替閃爍 | 電機正常運行 | ||
| 調速旋鈕 | 調節電機轉速 | 順時針旋轉電機速度增加,逆時針旋轉電機速度減小 | |

詢價